按應用分類
型號:SDL-U1250B-24L
產品使用對象:裁線機
產品執行功能:牽引
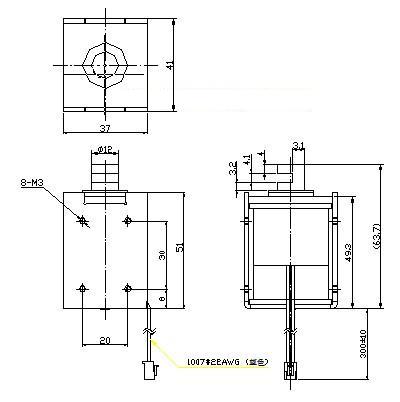
電腦裁線機電磁鐵參數
| 電壓: | DC24V | 行程: | 8mm | 電阻: | 功率: | ||
| 耐溫: | 壽命: | 耐電壓: | 初始力: | 1.3kg | |||
| 電流: | 1.25A | 通電率: | 彈簧回力: | 0.5kg | 吸力: |
電腦裁線機電磁鐵產品詳情
名稱:電腦裁線機電磁鐵
型號:SDL-U1250B-24L
參數:
電壓:DC24V
行程:8mm
初始力:1.3kg
彈簧回彈力:0.5kg
電流:1.25A
性能:
1、線圈加大,拉推力強;
2、框架加固,不會因為震動而散架;
3、加裝自動恢復保險絲,在電壓不穩定的時候不燒壞電磁鐵和電路;
4、拉桿兩端均有凹槽,便于鏈接;
5、采用上饒優質耐高溫漆包線,老化慢,性能穩定;
6、采用大號導線,降低不必要電損;
7、滑竿表面處理采用杜邦鐵佛龍,絕對耐磨,不掉皮,不卡死。

.jpg)
廣州思德隆電子有限公司(http://m.guanjia.org.cn)創立于2005年,是一家專業生產研發電磁鐵廠家,電磁閥,電磁線圈,小型電磁鐵等各類電磁產品,擁有豐富行業經驗的廣州牽引式電磁鐵制造商、電磁閥、電磁線圈廠家。品種多樣,規格齊全,產品從零部件到成品組裝均有自己的加工設備以及流水線,擁有高精密度檢測儀器和自主研發的老化設備,電腦裁線機電磁鐵從產品設計到樣品以及量產,均有量化高效的工藝流程及老化實驗檢測,保證了產品的質量與訂單的按時交貨。
關鍵詞:電腦裁線機電磁鐵,裁線機電磁鐵廠家定做






